根据市场需求变迁,我司将对产品进行调整。自发售以来,深受客户好评的DC电源板将于2015年12月末停止销售。
最后订单接受日:2015年12月止
最后发货日:2016年3月止
请见详细
DC电源板
T3M 系列
特长
- 从正电源输出经稳压的GaAs FET用门极负电压
- 低输出脉动电压:20mVp-p以下
- 动作温度范围宽:-35℃ ~ +70℃
产品规格
| Board Model | Input Voltage Range (+V) |
Regulated Output | Max. Neg. Output Ripole (mVp-p) |
||
|---|---|---|---|---|---|
| For Gate | |||||
| Volt. (nom.) | Curr. (max.) | ||||
| T3M4-F | 10~11V | -3V | 40mA | 10 | |
方框图
T3M 系列
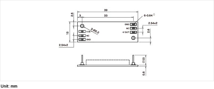
形状
T3M4-F
*-F通过RoHS认证。


















